金桂飘香十月天,家国同庆欢笑颜!尊敬的传力接头客户您好,欢迎您进入智诚阀门的网站!1957年10月27日,《人民日报》发表经毛泽东审定的题为《建设社会主义农村的伟大纲领》的社论,在党中央机关报上提出了“跃进”的口号。1957年末至1958年初在农村掀起的以兴修水利、养猪积肥和改良土壤为中心的农业供应高潮,拉开了“大跃进”的序幕。智诚提醒各位电力、热力、航空、航天、核电、冶金、石化、水泥、煤气、天然气等管道连接业界客户朋友:沿着中国道路,胸怀中国精神,坐拥中国力量,实现中国梦想!感谢您关注河南省智诚阀门管件制造有限公司网站http://www.zc898.com,欢迎拨打传力接头系列产品技术咨询电话:13838323458!地域站群

07FS02防护密闭套管

    积蓄技术能量,释放创新光芒智诚自成立以来一直致力于电力、热力、航空、航天、核电、冶金、石化、水泥、煤气、天然气等管道连接领域研发探索和经验积累,已经累计为众多客户提供过重创新的【07FS02防护密闭套管】产品!

产品介绍

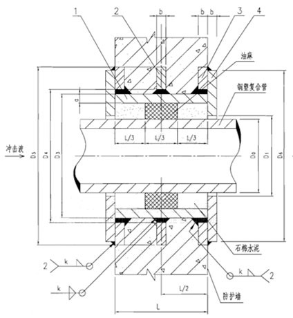
07FS02防护密闭套管是按照国家07FS02标准图集制作的密闭套管,广泛应用于地下工程、化工、钢铁、建筑、化工、刚铁、自来水、污水处理等管路穿墙壁要求严密防水之处。04FS02柔性密闭套管_两侧防护柔性密闭套管作用 :07FS02柔性密闭套管是为了解决有些地下工程需要管路穿墙而过,而通过处又有严密防水要求;还有些构筑物也需要管路穿墙而过,同时又限制管路不能因温度变化或外力产生伸缩和位移,更不允许管路在外在因素作用下产生振动而设计制作的。它的外壳一次性浇注在墙壁上,管子从套管中间通过,管子外径与套管中间用填料密封,起到了防水和减振作用。两侧防护柔性密闭套管材质 :

1、柔性密闭套管是按照国家标准04FS02制造生产,材料采用Q235-A。

2、柔性填料材料:沥青麻丝,聚苯乙稀板,聚氯乙烯泡沫塑料板。

3、密封膏:聚硫密封膏,聚胺脂密封膏。

以上是针对07FS02防护密闭套管作出的详细介绍,智诚阀门生产的07FS02防护密闭套管管是按照国家07FS02标准图集制作的密闭套管,生产的每一步都讲究精益求精,专业致力于管道行业,质量值得您的信赖。


产品优势

07FS02防护密闭套管 A B C D E F型的区别

A型;钢制套管 数量1材质 (Q235A)翼环数量1 材质(Q235A)

B型;钢制套管 数量1材质(Q235A)翼环数量1 材质(Q235A) 挡圈 数量1 材质(Q235A) 说明;钢管和挡圈焊接后经镀锌处理,再施行与套管安装。

C型;钢制套管 数量1材质(Q235A)翼环数量1 材质(Q235A) 固定法兰 数量1 材质(Q235A 挡板数量1 材质(Q235A)说明;管道和填充材料施工完后,再施行挡板和固定法兰焊接。

D型;钢制套管 数量1材质(Q235A)翼环数量1 材质(Q235A)固定法兰 数量1 材质(Q235A 挡板数量1 材质(Q235A)挡圈 数量1 材质(Q235A) 说明;钢管和挡圈焊接后经镀锌处理,再施行与套管安装,填充材料施工完后,再施行挡板和固定法兰焊接。

E型;钢制套管 数量1材质(Q235A)翼环数量1 材质(Q235A) 固定法兰 数量2 材质(Q235A 挡板数量2 材质(Q235A)管道和填充材料施工完后,再施行挡板和固定法兰焊接。

F型;钢制套管 数量1材质(Q235A)翼环数量1 材质(Q235A) 固定法兰 数量2 材质(Q235A 挡板数量2 材质(Q235A)钢管和挡圈焊接后经镀锌处理,再施行与套管安装填充材料施工完后,再施行挡板和固定法兰焊接。


产品示意图


零部件材料

编号 名称 数量 材料
1 钢制套管 1 Q235-A
2 翼环 1 Q235-A
3 固定法兰 2 Q235-A
4 挡板 2 Q235-A

技术参数

DN

D1

D2

D3

D4

δ

b

k

50

60

62

114

225

3.5

10

4

65

75.5

77.5

121

230

3.75

10

4

80

89

91

140

250

4

10

4

100

108

110

159

270

4.5

10

5

125

133

135

180

290

6

10

6

150

159

161

219

330

6

10

6

200

219

221

273

385

8

12

8


产品服务

专业制造、专业服务,智诚为你创造更多价值 !

不断提升服务质量,精益求精,“真诚的服务”是智诚永恒的主题。智诚严格按照 ISO9001-2000 质量体系认证要求,质量严格把关,责任到人,确保生产、销售、服务的健康运行。加强与用户沟通,竭诚为广大客户提供优良产品,至善至美服务。

产品标准

产品严格按照中国 GB、HG 标准和美国 API 等标准设计、制造、验收。密封面硬度达到国家规定要求,宽度超过国家标准。


售前服务

产品介绍,技术交流,非标产品设计,疑难解答。

售中服务

1、守信合同,保证及时供货,随时保持与客户联系 

2、对特殊或复杂的产品,我厂安排技术人员对用户进行产品使用、故障排除、调式及维修进行培训和指导。

售后服务

1、智诚产品质保期为自出厂起 12 个月,实行“三包”服务(包退、包换、包修)。

2、产品在使用中我厂定期组织技术、检查人员进行访问,征询用户对产品质量、使用状况、改进意见等方面的反馈,以便进一步提高产品质量。

3、对用户投诉产品质量问题,快速做出反映,售后服务人员在 24-36 小时(省外 48 小时)赶赴现场。

4、对售后服务,要求用户填写服务后的质量反馈表,并做出鉴定意见,共同提高智诚的产品质量与服务质量。


订货须知

1、客户对产品有特殊要求,须在订货合同中提供以下说明:

(1)结构长度

(2)连接形式

(3)公称直径、全通径、缩径、管道尺寸

(4)用介质及温度、压力范围

(5)实验、检验标准及其他要求本厂可根据客户特殊要求配置定做和设计特殊产品。

2、本厂可根据客户特殊要求配置定做和设计特殊产品。

3、如由客户提供确定的产品类型和型号时,客户应正确说明其型号的含义和要求,在供需双方理解一致的条件下签订合同。

       真干,实干,中国梦就在前方!河南省智诚阀门管件制造有限公司多年来古法匠心得,新科智造魂坚守在电力、热力、航空、航天、核电、冶金、石化、水泥、煤气、天然气等管道连接领域,在07FS02防护密闭套管等产品上一点点打磨“匠师”级人才!初心依旧,再创辉煌!

上一条: 没有了
生产设备